產品詳情
719系列角接觸球軸承

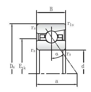
| 型號 | 尺寸 Dimensions | 安裝尺寸 Assemnly Dimensions | 載荷 Loading | 極限轉速 RPM | 重量 | ||||||||||
| Bearings | Weight | ||||||||||||||
| d | D | B | rsmin | r1smin | da | Da | ra | rb | Etk | Cdyn | C0stat | Grease | Oil | kg | |
| mm | mm | mm | h12 | H12 | max | max | kN | kN | min-1 | minimal | |||||
| 71900 | 10 | 22 | 6 | 0.3 | 0.3 | 13 | 19.5 | 0.3 | 0.3 | 15.2 | 3 | 1.53 | 70000 | 110000 | 0.009 |
| 71901 | 12 | 24 | 6 | 0.3 | 0.3 | 15 | 21.5 | 0.3 | 0.3 | 17.2 | 3.35 | 1.86 | 60000 | 90000 | 0.01 |
| 71902 | 15 | 28 | 7 | 0.3 | 0.3 | 18 | 25.5 | 0.3 | 0.3 | 20.9 | 5 | 2.9 | 50000 | 75000 | 0.02 |
| 71903 | 17 | 30 | 7 | 0.3 | 0.3 | 20 | 27.5 | 0.3 | 0.3 | 22.2 | 5 | 3 | 43000 | 63000 | 0.02 |
| 71904 | 20 | 37 | 9 | 0.3 | 0.3 | 24 | 33.5 | 0.3 | 0.3 | 26.8 | 6.95 | 4.4 | 36000 | 53000 | 0.03 |
| 71905 | 25 | 42 | 9 | 0.3 | 0.3 | 29 | 38.5 | 0.3 | 0.3 | 31.8 | 7.8 | 5.5 | 30000 | 45000 | 0.04 |
| 71906 | 30 | 47 | 9 | 0.3 | 0.3 | 34 | 43.5 | 0.3 | 0.3 | 36.8 | 8.15 | 6.3 | 26000 | 40000 | 0.05 |
| 71907 | 35 | 55 | 10 | 0.6 | 0.6 | 40 | 51.5 | 0.6 | 0.6 | 44 | 11 | 9 | 22000 | 36000 | 0.07 |
| 71908 | 40 | 62 | 12 | 0.6 | 0.6 | 45 | 58.5 | 0.6 | 0.6 | 49.1 | 16.6 | 13.2 | 20000 | 34000 | 0.11 |
| 71909 | 45 | 68 | 12 | 0.6 | 0.6 | 50 | 63.5 | 0.6 | 0.6 | 54.4 | 17.6 | 15 | 18000 | 30000 | 0.13 |
| 71910 | 50 | 72 | 12 | 0.6 | 0.6 | 55 | 67.5 | 0.6 | 0.6 | 58.9 | 18 | 15.6 | 16000 | 26000 | 0.13 |
| 71911 | 55 | 80 | 13 | 1 | 1 | 60 | 75.5 | 0.6 | 0.6 | 65.1 | 21.6 | 19.3 | 15000 | 24000 | 0.18 |
| 71913 | 65 | 90 | 13 | 1 | 1 | 70 | 85.5 | 0.6 | 0.6 | 75.1 | 24.5 | 24 | 14000 | 22000 | 0.2 |
| 71914 | 70 | 100 | 16 | 1 | 1 | 76 | 94.5 | 0.6 | 0.6 | 82.2 | 33.5 | 32.5 | 13000 | 20000 | 0.33 |
| 71915 | 75 | 105 | 16 | 1 | 1 | 81 | 99.5 | 0.6 | 0.6 | 87.2 | 34 | 34.5 | 12000 | 19000 | 0.35 |
| 71916 | 80 | 110 | 16 | 1 | 1 | 86 | 104 | 0.6 | 0.6 | 92.2 | 34.5 | 36 | 12000 | 19000 | 0.37 |
| 71917 | 85 | 120 | 18 | 1.1 | 1.1 | 92 | 114 | 0.6 | 0.6 | 99.2 | 45 | 46.5 | 11000 | 18000 | 0.53 |
| 71918 | 90 | 125 | 18 | 1.1 | 1.1 | 97 | 119 | 0.6 | 0.6 | 104.2 | 45.5 | 49 | 10000 | 17000 | 0.55 |
| 71919 | 95 | 130 | 18 | 1.1 | 1.1 | 102 | 124 | 0.6 | 0.6 | 109.2 | 46.5 | 51 | 9500 | 16000 | 0.58 |
| 71920 | 100 | 140 | 20 | 1.1 | 1.1 | 107 | 133 | 0.6 | 0.6 | 117.2 | 58.5 | 64 | 9000 | 15000 | 0.79 |
| 71921 | 105 | 145 | 20 | 1.1 | 1.1 | 112 | 138 | 0.6 | 0.6 | 121.2 | 58.5 | 64 | 8500 | 14000 | 0.8 |
| 71922 | 110 | 150 | 20 | 1.1 | 1.1 | 117 | 143 | 0.6 | 0.6 | 126.2 | 58.5 | 67 | 8000 | 13000 | 0.8 |
| 71924 | 120 | 165 | 22 | 1.1 | 1.1 | 128 | 157 | 0.6 | 0.6 | 138.2 | 69.5 | 80 | 6700 | 10000 | 1.2 |
| 71926 | 130 | 180 | 24 | 1.5 | 1.5 | 139 | 171 | 0.6 | 0.6 | 150.2 | 81.5 | 95 | 6000 | 9000 | 1.5 |
| 71928 | |||||||||||||||
- 上一篇:718系列角接觸球軸承
- 下一篇:沒有了
電話
微信
留言